摘要:信號分配在測試系統中至關重要,文中依據某型導彈測試設備的要求設計了一基于ISA總線的多通道控制電路。該電路集成了16路光耦隔離輸入電路和8路繼電器輸出電路,可在ISA總線的控制下完成數據信號、指令信號和電源信號的輸入輸出。實際應用結果表明,該多通道控制電路的信號分配傳輸頻率可達6.5 MHz,完全達到設計要求;該電路按國家軍用標準設計定型,在測試領域具有廣闊的應用前景。
九十年代以來,我國從俄羅斯相繼引進了不同型號的導彈,同時,也引進了配套的導彈測試系統。近年來,隨著導彈測試系統壽命的臨近,在國內現有技術基礎上延長其使用壽命是維修保障部門的重要任務。為此研制導彈測試系統關鍵部件的備件,成為延長系統壽命的一個重要手段。
文中依據某型導彈測試設備的要求,設計并研制了基于ISA總線的多通道控制電路:該電路集成了16路光電隔離輸入通道和8路單刀雙擲(SPDT)繼電器輸出通道,每一路輸入或輸出通道都配有指示燈實時標識目前的狀態。在測試系統中,該控制電路可在ISA測試總線的控制下將數據信號、指令信號和電源信號分配至不同電路,實現對導彈的自動測試。實際應用結果表明,研制的多通道控制電路達到設計要求,可完全替代俄制電路。
1 ISA總線簡介
ISA(Industrial Standard Architecture)總線是IBM公司于1984年進一步擴充XT總線標準而形成的。ISA總線標準支持24位的地址線、16位的數據線;支持11級中斷IRQ3~IRQ7、IRQ9~IRQ12、IRQ14~IRQ15;支持7個DMA傳輸通道DRQ0~DRQ3、DRQ5~DRQ7;支持主從控制、I/O等待和I/O校驗等功能。為了與XT總線保持向下兼容,ISA總線在信號功能的定義和物理接口上均作了特殊的安排,即保持原有的XT總線不變,重新增加一個36線的連接插槽,分成C、D兩面,擴充的功能設計在C、D兩面的信號線上。其引腳定義如下:
1)數據總線SD7~SD0 SD7~SD0為8位雙向三態數據總線,在芯片和主接口間傳輸命令、數據和狀態。SD7為最高位。
寄存器選擇引腳為SA9~SA4、SW DIP-6(板基址011001)和AEN#。這些引腳決定轉換是否響應I/O周期,當AEN#為邏輯低電平且SA9~SA4與6位撥動開關值完全匹配時,內部產生一片選信號使轉換響應I/O周期。
2)地址信號SA3~SA0 I/O讀寫操作時作為轉換電路上FPGA芯片內的寄存器選擇信號。
3)讀寫信號IOR#,IOW#寫操作中,轉換在IOW#上升沿鎖存數據。讀操作中,當IOR#有效時,轉換模塊直接驅動8位數據線。
4)中斷信號INTR 中斷狀態寄存器某使能中斷為真時,INTR有效。對INTR的有效聲明沒有最小脈寬要求。
5)IO通道準備好信號IOCHRDY IO CHRDY變低表明當前I/O周期需要被延長。寫周期中,當數據從ISA總線上被鎖存時IO CHRDY變高。讀周期中,數據有效時IO CHRDY變高。進行寄存器讀寫時IO CHRDY被拉低。IO CHRDY引腳用集電極開路邏輯門驅動,因此,此信號會由一個內部上拉電阻上拉至邏輯高電平。
6)復位信號RESET RESET信號有效時觸發轉換模塊使FPGA硬重啟。
2 工作原理
如圖1所示,基于ISA總線的多通道控制電路由地址編碼、繼電器通道、光耦隔離電路等部分組成。其工作原理如下:電路工作時,首先將ISA總線的高位地址與板載撥碼開關設定的板基地址進行比較,其低位地址通過地址編碼選通3個讀通道和1個寫通道。讀通道為端口1緩存、端口2緩存、端口3回讀通道,寫通道為端口3緩存通道。當工控機需要讀取反饋信號時,反饋信號從接口CN2輸入16路光耦,通過電阻和跳線模塊設定其工作模式,數據寫入端口1緩存和端口2緩存供工控機讀取;同時每路光耦對應一個LED,實時顯示目前工作狀態。當工控機需要將信號發出時,工控機將數據寫入端口3緩存,經過繼電器驅動器驅動后,控制8路繼電器,由DB1輸出;同時,每路繼電器對應一個LED,實時顯示目前狀態。寫入端口3的數據還可以通過回讀地址將其讀回,回讀地址與寫地址相同。

3 電路設計
按照工作原理可將多通道控制電路分為地址編碼電路、繼電器控制輸出通道電路和光耦隔離輸入通道電路3部分。
3.1 地址編碼電路
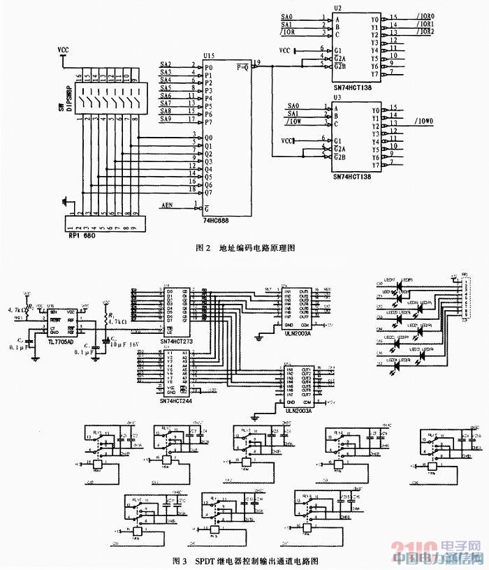
測試系統中每塊電路板都有唯一的一個板選地址,因此若對某個模塊進行讀寫操作,必須選定該板選地址;測試系統通常含有多塊電路插板,而ISA總線不能同時讀寫多塊電路插板,因此,測試系統需要地址編碼電路,該地址編碼電路位于多通道控制電路上。如圖2所示,地址編碼電路由上拉電阻排、撥碼開關和編碼芯片組成。ISA地址總線的高位地址SA2…SA9作為板選地址,與撥碼開關設定的板基地址經過編碼芯片U15進行比較,如果比較結果相同,選通地址編碼器U2、U3,將低位地址SA0、SA1進行編碼,得到讀寫控制信號IOR0..IOR2、IOW0。由電路圖可知,對于繼電器通道的控制信號寫與回讀使用的是同一個地址。板選地址編碼方式如表1所示。


3.2 SPDT繼電器控制輸出電路
8路單刀雙擲繼電器控制輸出能夠實現輸出開關控制、數據回讀、數據所存、繼電器驅動和工作狀態指示功能,電路圖如圖3所示。其中電阻R1、R2、芯片U16和電容C17、C18、C19組成輸出開關控制電路;芯片U1和U4實現數據傳遞功、數據所存和數據回讀功能,芯片U9和U10實現繼電器驅動功能,發光二極管LED17到LED24用于工作狀態指示,上拉電阻排RP2實現對繼電器驅動電路和工作狀態指示電路的限流功能,繼電器控制輸出電路由繼電器RLY1~RLY8及相應的輸出濾波電容組成。
如圖3所示,以其中一條控制通道為例,SPDT繼電器控制輸出電路工作原理如下:控制信號通過數據總線SD0~SD7發送給鎖存器U4,在U4使能信號端的控制下,供給繼電器驅動器U9,U9的輸出端直接控制繼電器的引腳1;當控制信號為低電平“0”時,繼電器閉合,同時LED發光表示該通道繼電器正在使用狀態;當控制信號為高電平“1”時,繼電器斷開,同時LED熄滅表示該通道繼電器不在使用狀態;而外部數據由接口DB1輸入,通過繼電器的CHA、CHB和CHC觸點輸出到相應的模塊。
數據回讀時工作原理如下:數據總線SD0~SD7首先經過鎖存器U4后,一路連接到繼電器控制器,另一路連接到總線驅動器U1,當工控機發出讀端口3的命令時,U1選通,數據被重新讀回ISA總線。
3.3 16路光耦隔離輸入電路
16路光耦隔離輸入電路如圖4所示,芯片U7、U8、上拉電阻排RP5、RP6和發光二極管LED1~LED16構成工作狀態指示電路;芯片U5、U6和上拉電阻排RP3、RP4構成數據傳遞及所存電路;電容C1~C16、集成光耦U11~U14、續流二極管DK1~DK16和電阻RK1~RK16構成16路光耦隔離輸入電路;接插件JP1和M1~M16構成輸入數據狀態選擇電路。

如圖4所示,以其中第一路為例,其工作原理如下:M1的IP1+和IP1-設定光耦的工作模式后,數據由M1的PN1+和PN1-經電阻RK1限流后輸入光耦U11的7、8引腳;然后由光耦U11的9、10引腳輸出鎖存器U6的2號引腳;在經U6的18引腳輸入數據總線SD0位。光耦輸出的數據同時輸入驅動芯片U7的8好引腳,經U7的12引腳控制發光二極管LED1的狀態,表示傳遞的數據。若由M1輸入的為高電平“1”,則LED1發光;否則,LED1熄滅。
4 實驗結果
地址編碼電路實驗波形如圖5所示,圖中9、10、11分別表示圖2中SA0、SA1、/IOR,圖中1~7代表圖2中芯片U2或U3的15~7引腳。從實驗結果可以看出當SA0、SA1、/IOR都為低電平“0”時,/IOR0為低電平“0”,/IOR0有效選中相應的模塊,實現地址編碼功能。

8路SPDT繼電器控制輸出電路實驗結果如表2所示,當選通信號為高電平“1”時,控制信號為高阻態“X”,8路繼電器狀態均為“閉合”;當選通信號為低電平“0”時,在相應控制信號作用下,相應繼電器的狀態發生變化;達到設計要求。

5 結論
ISA總線是測試系統通用且最常用的測試總線,測試系統的數據信號、指令信號和地址信號都是在ISA總線下進行傳遞和轉換的。本文依據某型導彈測試系統的需求,設計研制了一款基于ISA總線的多通道控制電路,該電路可以通過8路SPDT繼電器通道和16路光耦電路對來自ISA總線的信號進行傳輸或轉換。導彈測試系統信號分配傳輸的頻率為6.5 MHz,而該板在測試系統上能正常應用,因此該電路板的信號分配傳輸頻率亦可達6.5 MHz,滿足了設計要求。該板根據國軍標進行設計,經環境實驗、電磁干擾實驗和運輸實驗后,正式定型量產并交付部隊使用。該板的研制解決了國外購買價高且周期長的困難,有力提高了某型導彈測試設備的自主維修能力;該板也可應用于其他基于ISA總線的測試系統,具有廣闊的應用前景。